
GKYWG-52激光物位計也叫激光料位計,是由河北光科測控設備有限公司自行研發的一種大量程、高準確度的防爆型物位測量產品。具有物位測量、平均溫度測量、開關量報警輸出、可連接罐旁顯示儀等功能。產品結構合理,準確度高、維護率低。該產品已經廣泛應用于石油、化工、電力、冶金、食品、制藥、造紙、水處理等行業的物位測量與液位過程控制中。
激光物位計由半導體激光器發射連續激光束,激光束遇到被測物體表面進行反射,光線返回由激光接收器進行接收。采用相位比較的原理把接收到的激光信號跟參閱信號進行比較,準確計算激光自發射到接收之間的時間差后再用微處理器準確計算出。其準確度可達毫米等級,標準的4~20mA信號和RS485信號可以遠傳至控制室方便監測管理。可以測量介質:顆粒、塊狀、粘稠、水、食品;應用工況:測距離、測液位、測物位等工況。
測量光束發散角小、方向性集中
量程大、測距遠、無盲區
不受介質溫度影響,不受溫度變化影響
測量速度快,適合變化快的液位及料位測量
操作簡單,可編程測量
分辨率高出一般儀表十倍
波束角小,適合長距離定位,避免障礙物
1、石油工業、電力、市政、水利、制藥、食品
2、煤倉、水泥倉、各種料、鋼水、鋁水等高溫介質



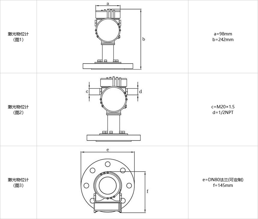
安裝要求:一般采用標準法蘭或螺紋安裝于罐頂,特殊工況選擇側側垂直安裝,為方便調試,儀表安裝建議在有平臺的地方。



上一篇:GKYWG-60C超聲波液位計
下一篇:GKYWG-57 磁性液位計